供应平台 > 新大运防水科技(唐山)有限公司 > SBS弹性体(塑性体)改性沥青防水卷材
举报
收藏
分享

SBS弹性体(塑性体)改性沥青防水卷材

供货范围:全国
规格:II 3mm PY
交货周期:3
联系人:李宁
联系方式:13901103478
咨询:
新大运防水科技(唐山)有限公司
一星会员
发布产品
我的应标
成交订单
进入主页 公司简介

产品推荐

一、产品介绍

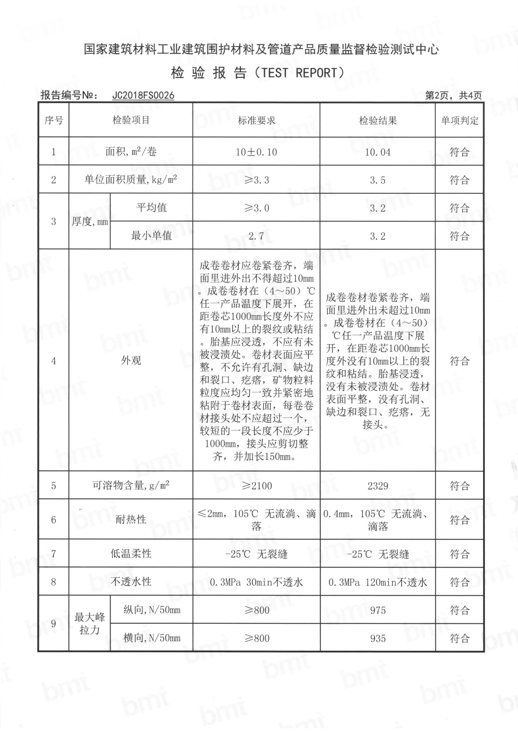
       本产品系列采用SBS(APP)改性沥青浸渍和涂盖胎基,具有弹性大、抗拉强度和延伸率高、低温柔性好等特点。聚酯胎产品在此系列产品中性能最优。

本产品适用于路桥、隧道及各种民建、商建一般防水等级工程的防水施工。特别适用于不稳定结构工程的防水


二、施工方法

     1、基层处理

   铺贴卷材钱,应对防水基层(找平层)进行检查验收,必须达到基层坚硬无空鼓、起砂、松动、裂缝、掉灰、凹凸不平等缺陷

     2、卷材铺贴

1.屋面铺贴卷材与基层点沾或条沾,平屋面粘贴面积在30%以上,坡屋面粘贴面积在70%以上,卷材与卷材之剑100%粘贴。

2.地下室底板铺贴,卷材与基层可全粘,点粘贴或条粘贴。卷材与卷材之剑必须100%粘贴。

3.地下室立墙,铺贴卷材与基层,卷材与卷材之剑100%粘贴。

4.附加层一般部位全部粘贴

5.铺贴顺序为先高、后地跨,同等高度,先远后近。同一平面,从低处开始铺贴。

6.长边搭接:单层防水≥100MM、双层防水≥80mm、短边搭接:单层≥150mm、双层防水≥100mm。

7.同一层相邻两幅卷材铺贴时,横向搭接边错开500MM以上,且上下两层卷材不能互相垂直铺贴

8.施工时,把卷材按位置方正,点燃施工工具时距原材料0.5米安全距离,待卷材表面熔化,随时向前滚铺,在卷材末冷之前,用勾缝把卷材边封好。特别注意边缘和复杂部位,以防翘边。


提示

请联系企业销售负责人

联系人:李宁

电话:13901103478