供应平台 > 新大运防水科技(唐山)有限公司 > 种植化学阻根(金属铜胎)耐根穿刺防水卷材
举报
收藏
分享

种植化学阻根(金属铜胎)耐根穿刺防水卷材

供货范围:全国
规格:SBS II PY PE PE 4
交货周期:2
联系人:李志敏
联系方式:13501029131
咨询:
新大运防水科技(唐山)有限公司
一星会员
发布产品
我的应标
成交订单
进入主页 公司简介

产品推荐

一、产品介绍

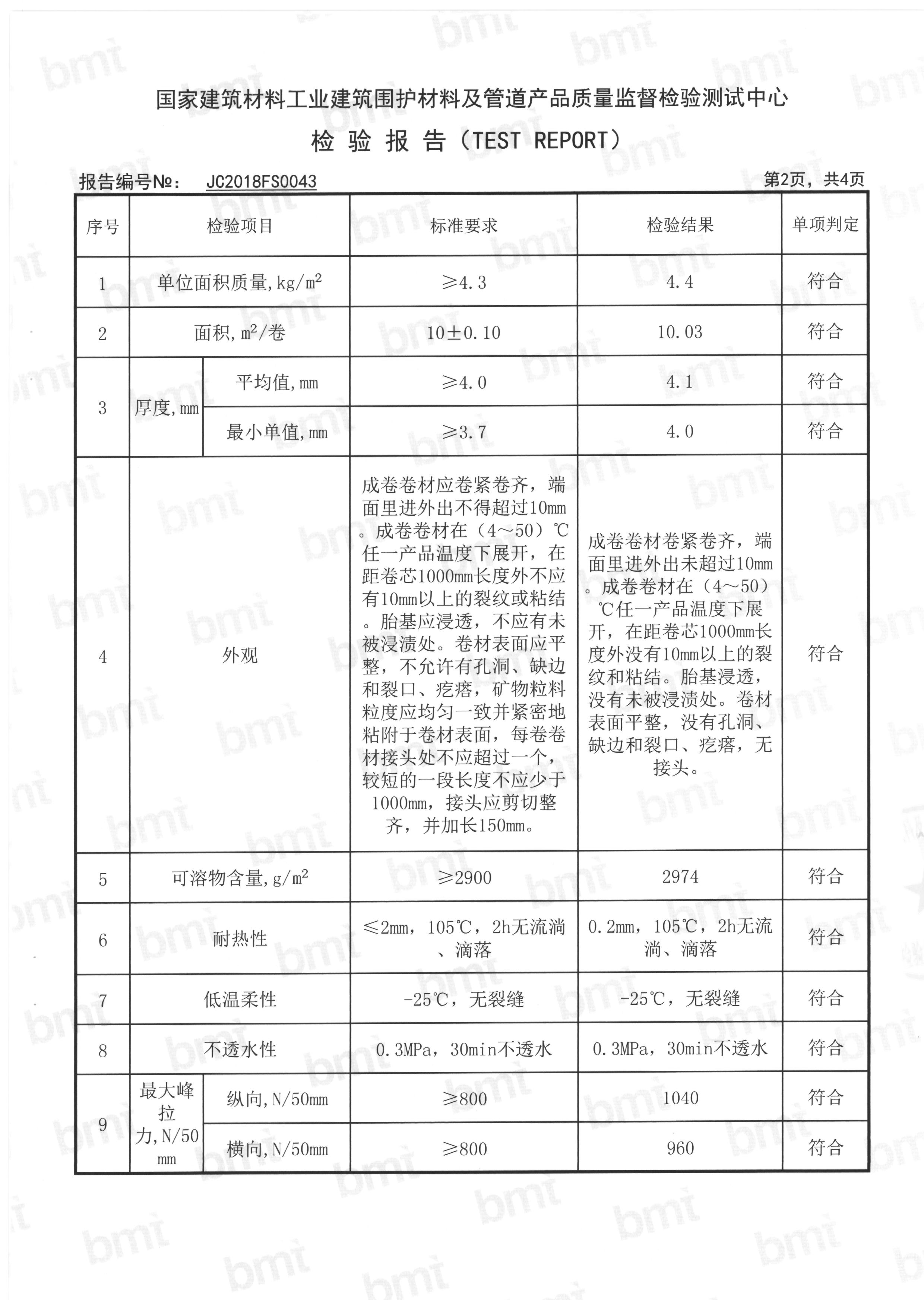
   以国外阻根剂(金属铜箔Cu)为胎体、上下两层涂以改性沥青胶(APP、SBS或自粘)两面覆以隔离膜所制成的卷材(代号为JCuB PE),根据其不同的胶质,可分为自粘型(标记为AB)、热熔型(标记为BB )。根据温度标记为II型。

二、产品特点

   国外阻根剂或金属铜胎改性沥青防水卷材具有良好的耐腐蚀性、耐霉性、耐水性、耐老化性及在长期侵水状态下不腐烂等特点,充分发挥金属铜胎的物理性能,有效阻止根系穿透,既环保又安全。在保证植物正常生长的同时又起到防水、防根刺的作用。该产品的使用寿命长、如无意损伤,一次性投入终身使用,节约因翻修而耗费的二次费用。自粘型金属铜胎改性沥青防水卷材是新型高档产品,该种产品改变了传统单一热熔施工方法,将自粘胶与高聚物改性沥青胶复合使用,以金属铜胎为胎基,上表面覆以高聚物改性沥青胶,下表面覆以自粘胶,此材料集高聚物改性沥青良好的耐候性与自粘胶自愈于一体,施工中集粘接、密封和防水于一体。它既有满粘法施工卷材的特点,同时又因自粘胶本身具有强度低、柔韧、蠕动变形强等特点,可以通过自身位移和厚度变化、缓冲、吸收基层能力变化,达到空铺法施工的效果。

提示

请联系企业销售负责人

联系人:李志敏

电话:13501029131